動差式流量計
- 品*:JKM/凱銘儀表
- 型號:JKM-BS
- 測量范圍:0.1~55800m3/h
- 精度等級:0.5級、1.0級
- 公稱通徑:DN15-DN2000
- 適用介質:液體,氣體
- 工作壓力:0.6~42MPa
- 工作溫度:-200~+500℃
- 供電方式:24VDC 3.6V鋰電池
- 訂貨號:KLQ101563ILX
動差式流量計產品概述
靶式流量計是工業生產中用來測量氣體、液體和蒸汽流量計的*常用的一種流量儀表。其結構簡單,安裝方便,工作可靠,準確度高,能滿足工程測量的需要。研究設計和使用歷史悠久,有豐富的、可靠的實驗數據,設計加工已經標準化。
靶式流量計主要由測量管(外殼)、新型傳感器(含阻流元件)、積算顯示和輸出部分組成。根據不同的介質和工況,必須選用相適應的傳感器,因此,用戶提供準確的計量對象和參數、廠家選用合適的傳感器是流量計能否計量準確的關鍵。
靶式流量計具有結構簡單、安裝維護方便、不易堵塞等特點,主要用來測量管道中的低雷諾數、高粘度流體以及含適量固體顆粒的漿液的流量。初次之外,靶式流量計也可以測量一般液體、氣體和蒸汽的流量。
動差式流量計產品參數
1、產品名稱:靶式流量計
2、適用介質:煤氣,氣體(氣體流量計),煙氣、蒸汽,液體,重油,原油,污水,瀝青的流量計量
3、管徑(DN):DN15~DN3000mm至更大
4、公稱壓力:0.6~42MPa (指連接法蘭公稱壓力,非介質的工作壓力)
5、工況溫度:-20~+500℃(需更高溫度請與工廠聯系)
6、測量精度:±0.2~±1.5%FS
7、量程范圍:1:3(±0.2%) ,1:10(±0.5%), 1:15(±1.5%)
8、殼體材質:碳鋼;不銹鋼;
9、供電方式:內置3.6VDC鋰電池(可用兩年);外供24VDC;
10、輸出信號:4~20mA二線制;脈沖0~1000HZ;RS485
11、防護等級:IP65;IP67
12、防爆標志:本安型ExiallCT4;隔爆型ExdllCT4
13、表頭顯示:累積流量;瞬時流量;滿量程百分比;工況壓力;工況溫度;故障自檢
14、連接方式:管道法蘭式(DN15-300mm);插入式(DN100- N6000mm至更大)。
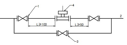
15、安裝要求:可水平、垂直安裝;前后直管道應滿足前10D后5D(D公稱通徑)
16、特殊連接:螺紋式;對夾式;在線拆裝式;(需特殊連接定貨時請說明)
動差式流量計產品特點
1、靶式流量計采用先進的*三代電容式力傳感器,性能可靠,精度、靈敏度高;
2、耐臟污,不堵塞,抗振動、電磁干擾,抗雜質能力特強;
3、無可動部件,耐臟污,一體式智能顯示,安裝簡便免維護;
4、壓力損失小,僅為標準孔板的1/2△P左右;
5、適用介質范圍廣:能準確測量各種溫度下的氣體、液體、蒸汽流量,可測二相流;
6、可選用多種防腐及耐高低溫材質(如哈氏合金,鈦等);
7、整機全密封無死角,無任何泄漏點,可耐42MPa高壓;
8、傳感器不與被測介質接觸,不存在零部件磨損,使用安全可靠;
9、靶式流量計具有多種安裝方式供選擇,安裝簡單,費用低;
10、具有一體化溫度、壓力補償,直接輸出質量或標方;
11、具有可選小信號切除、非線性修正、濾波時間可選擇;
12、計量準確,精度可達到0.2~1.5%;
13、重復性好,一般為0.05~0.08%,測量快速;
14、儀表內設自檢程序,故障現象一目了然;
15、多種輸出形式,能遠傳各種參數;
16、抗震動性強,一定范圍內可測脈動流。
動差式流量計產品原理
當介質在測量管中流動時,因其自身的動能通過阻流件(靶)時而產生的壓差,并對阻流件有一作用力,其作用力的大小與介質流速的平方成正比,其數學方式表達如下:
F=CdAρ.V2/2
式中:
F--阻流件所受的作用力(kg)
Cd--物體阻力系數
A--阻流件對測量管軸向投影面積(mm2)
ρ--工況下介質密度(kg/m3)
v--介質在測量管中的平均流速(m/s)
阻流件(靶)接受的作用力F,經剛性連接的傳遞件(測桿)傳至電容力傳感器,電容力傳感器產生電壓信號輸出:
V=KF,由此,此電壓信號經前置放大、AD轉換及計算機處理后,即可得到相應的瞬時流量和累積總量。
動差式流量計安裝注意事項
不允許直接在流量計測量管前后端安裝閥門、彎頭等極大改變流體流態的部件,如果需要在流量計前后管道上安裝閥門、彎頭等部件也應盡量保證前后直管段長度,直管段要求前10D,后5D,對于新完工的工藝管道,應先進行初步吹掃后再安裝流量計。
◆因工藝需要可采用垂直安裝,被測介質流向可由下至上,也可由上至下,但訂購時應向供貨方說明;
◆插入式流量計安裝時,將短管及法蘭焊到管道上時必須確保流體正對著靶片受力面,焊接短管高度在100mm(從管道內壁至法蘭密封面的距離)
◆對于新完工的工藝管道,應先進行初步吹掃后再安裝流量計;
◆測量管外壁上箭頭所指方向為被測介質流向;
◆流量計殼體必須可靠接地,若無接地條件應向廠方說明;

上圖1、2、3為閥門,4為靶式流量計,D為管道通徑(mm),L為靶式流量計所需要的前后直管段長度。對于大管道(如DN>600)如安裝空間有限,沒有足夠的直管段,可縮短至前5D后3D。